Barrière sélective l125 peinture
Référence: PA3996
garantie 2 ans
Plans cotés
product technical_plan
Description

La barrière sélective est un dispositif qui interdit l'accès aux 2 roues motorisées (Scooters et motos) et laisse passer les autres usagers. Vélos, piétons, fauteuils roulants et poussettes.

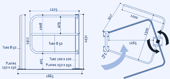
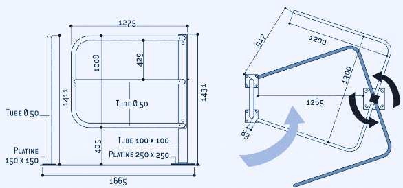
Barrière : Acier peint de longueur 1265mm et largeur 1300mm. Tube de 10 x 10 cm sur pivot de Ø 89mm sur platine de 250 x 250mm. Hauteur 1431mm

Arceau de réception : Tube de Ø 50mm sur platine de 150 x 150mm Hauteur 1414mm.

Montage facile : Fixation sur platines avec crosses d'ancrage fournies. "bras" de l'élément rotatif à visser sur le pivot.

Existe en 9 coloris ou en version galvanisée brut.

La barrière anti 2 roues est conforme aux normes en vigueur adaptées aux PMR. Loi handicap : arrêté du 15/01/2007.

Dimensions
  • 1431.00 mm
  • 1666.00 mm
  • 1300.00 mm
  • 80.00 kg
Couleurs
Précisez le choix de la couleur à la commande :
3004
3020
5010
6005
7044
8017
9005
9010
Corten